PV2R24A/34A系列油研雙聯葉片泵
這些雙泵結合了用于大容量側的新型PV2R4A 系列泵,該功能允許排放到單獨的回路。
噪音低 ;緊湊的尺寸
PV2R24A , PV2R34A系列YUKEN雙聯葉片泵:
| PV2R24A-26 PV2R24A-33 PV2R24A-41 PV2R24A-47 | PV2R24A-53 PV2R24A-59 PV2R24A-65 PV2R34A-76 | PV2R34A-94 PV2R34A-116 PV2R24A/34A-*-138 PV2R24A/34A-*-162 PV2R24A/34A-*-193 |
PV2R24A,34A系列油研雙聯葉片泵規格 :
最大工作壓力
輸出流量和輸入功率、軸速度范圍和質量

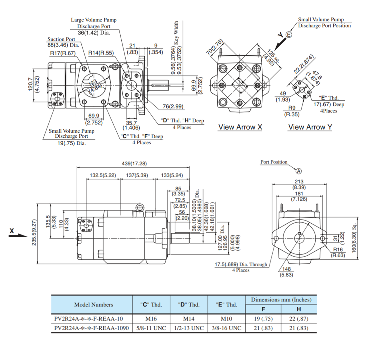
法蘭材質:PV2R24A-*-*F-REAA-10/1090尺寸:

.