力士樂柱塞泵A11VO系列安裝和試運行說明
概述
泵殼在試運行和工作過程中必須充滿油液(充滿殼體內)。
試運行必須在低速和無載的情況下進行,直到系統完全排氣。
長期停機時,泵殼體內的油液會通過工作管路泄空。再次使用時,必須保證泵殼體內充滿油液。
泵殼體內的泄漏油通過最高位的泄油口排回油箱。S油口的最低吸油壓力不得低于0.8bar絕對壓力(無升壓泵)或低于0.5bar
絕對壓力(帶升壓泵)。
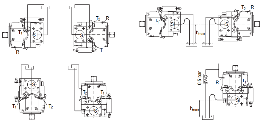
下置式安裝
油泵低于油箱內最低液面(標準)任意安裝位置
安裝位置“軸朝上”
必須在試運行期間確保泵殼完全充滿油液。如果軸承處出現氣泡,會損壞軸向柱塞泵。
安裝步驟:
試運行前,從最高位的泄油口T1、T2和R使軸向柱塞泵充滿油液。
建議給吸油管路也充油。
低速(起動器轉速)啟動泵,直到泵全部充滿油液。
-吸油管及泄油管在油箱內的最小浸沒深度為200mm(相對于油箱最低油位高度)。
上置式安裝
泵的安裝位置高于油箱的最低液位。
如果泵停機時間較長,殼體油液可能會經工作管路泄掉(空氣經軸封進入殼體)。這時,如果重新啟動泵,軸承將無法得到充分潤滑。
啟動前,軸向柱塞泵必須通過最高位的泄油口充滿油液(通過油口R排氣)。可通過在泄油管路安裝-一個單向閥(開啟壓力0.5 bar)來避免殼體油液的泄漏。通過工作油口的泄漏可采用特殊設計的控制接板來解決。
安裝位置“軸水平”及“軸朝上”;安裝位置“ 軸朝上”;
- A11VLO型 (帶升壓泵)不能采用上置式安裝。
安裝步驟見下置式安裝上置式安裝的額外步驟:
最大允許吸油高度hmax=800mm油口S的最低允許壓力(最低吸油壓力)
-對于帶壓力控制、排量限制器、HD和EP控制的控制選項,排量設定值必須為: Vg 25%●Vg max。
建議采用帶“鵝頸”的吸油管。

安全指示.
-泵A10VO適 用于開式回路。
-泵的配置、組裝和試運行應由經培訓的合格人員進行。
-工作和功能油口專門為液壓管路的連接設計。
-擰緊扭矩:本數據表所述的擰緊扭矩為最大值,不得超過該數值( 螺紋最大值)。
必須遵守制造商關于所使用配件的最大允許擰緊扭矩的規定!
對于DIN13緊固螺釘,我們建議按照2003年版的VDI2230檢查各種情形下的允許擰緊扭矩。
在工作期間或工作后不久泵尤其是電磁鐵有高溫燒傷的危險。必須遵守規定的參數和說明。
力士樂A11VO柱塞泵規格:A11VO40,A11VO60,A11VO75,A11VO95,A11VO130,A11VO145,A11VO190,A11VO260
